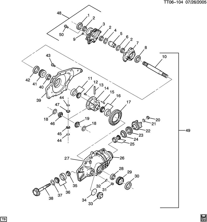
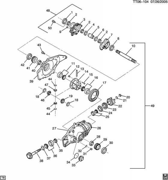
I need to change the ball bearing (pos 28) on the front left side axle and i need to know if the differential bearing adjuster (pos 29)can be removed and reused , or i need to order it new as well ? I'm asking because it's about $140 and i would really like to be able to reuse it ! Please advise ..
