Offroad Trailblazers and Envoys

Ac Pcm pin out

Something not working right?

by Jimw » Sat Feb 20, 2016 6:01 pm

Have been searching for an answer ... Is pin out 42 on the pcm c1 connector a ground reference or 12v for the ac relay .. This is on a 2003 i6 . Looking for an easy way to kick on and control efans when ac is active. I.e. Ground ...

Thanks for any input
Jimw
Newbie
 
Posts: 6
Joined: Sat Dec 26, 2015 11:10 pm
Location: Felton,DE
Name: James
Vehicle Year: 2003
Vehicle: Chevrolet TrailBlazer
DriveTrain: 4WD w/ Limited Slip

by HawkeyeC25 » Sat Feb 20, 2016 9:57 pm

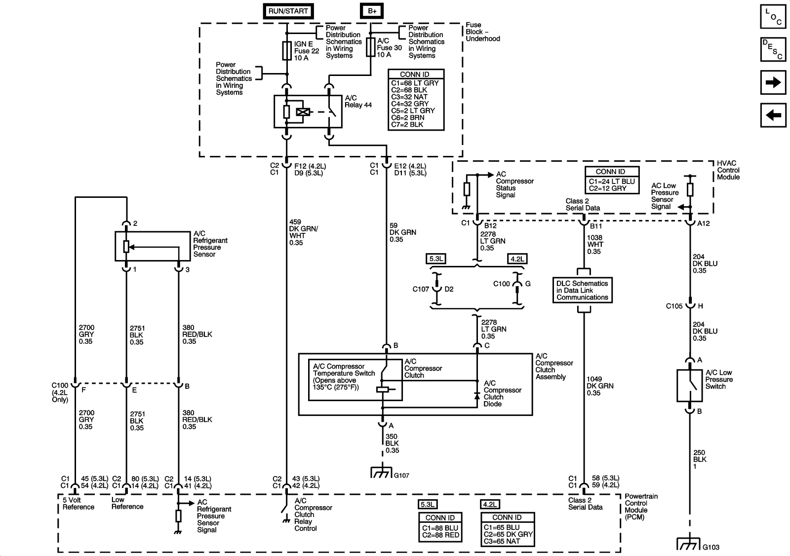
Powertrain Control Module (PCM) C1

Pin Wire Color Circuit No. Function

41 RED/BLK 380 A/C Refrigerant Pressure Sensor Signal
42 DK GRN/WHT 459 A/C Compresor Clutch Relay Control
43 DK BLU 2364 Cooling Fan Speed Signal
57 WHT/BLK 2366 Cooling Fan Clutch Control

Hope this helps!
2005 Trailblazer EXT LT V8 Lifted
Build Thread
There are 10 types of people in this world, those who understand binary and those who don't.
User avatar
HawkeyeC25
Trail-Blazer
 
Posts: 340
Joined: Mon Nov 09, 2015 10:24 pm
Location: MI, Howell
Name: Craig
Vehicle Year: 2005
Vehicle: Chevrolet Trailblazer EXT
DriveTrain: 4WD w/ Aftermarket Locker
Rank: Offroad Rated

by HawkeyeC25 » Sat Feb 20, 2016 10:11 pm

Here's what I think you were asking for now that I re-read your question. The pin in the PCM pulls the wire to ground. The power for the relay comes out of the fuse block under the hood.
Attachments
ACRelay.gif
2003 TB AC Relay
2005 Trailblazer EXT LT V8 Lifted
Build Thread
There are 10 types of people in this world, those who understand binary and those who don't.
User avatar
HawkeyeC25
Trail-Blazer
 
Posts: 340
Joined: Mon Nov 09, 2015 10:24 pm
Location: MI, Howell
Name: Craig
Vehicle Year: 2005
Vehicle: Chevrolet Trailblazer EXT
DriveTrain: 4WD w/ Aftermarket Locker
Rank: Offroad Rated

by Jimw » Sun Feb 21, 2016 1:18 am

The Efan kit I have from pcmofnc uses a ground to activate the kits relays .. I have the coolant side covered with the autometer in line hose kit and a switch that grounds on at 200f off at 185f .. Will verify that pin 42 is a found with multi meter tomorow .. Even if it is . Not sure I want the fans to cycle that much esp when cool out and using defrost.

Thanks for the reply,
JimW
Jimw
Newbie
 
Posts: 6
Joined: Sat Dec 26, 2015 11:10 pm
Location: Felton,DE
Name: James
Vehicle Year: 2003
Vehicle: Chevrolet TrailBlazer
DriveTrain: 4WD w/ Limited Slip


Return to Troubleshooting